MB10S,MB8S,MB6S,ASEMI贴片整流桥,高档品质LED驱动器电源适配整流桥,50MIL芯片MB10S
  • 型 号MB10S

    品 牌ASEMI

    封 装MBS-4

    特 性贴片整流桥

  • 正向电流
    (lo)
    反向耐压
    VRRM
    芯片材质
    Chip Material
    芯片个数
    Chip Number
    漏电流
    (lr)
    操作温度
    Temperature
    1A 50V-1000V 光阻GPP 4 >10ua -50℃~150℃
    正向电压
    (VF)
    浪涌电流
    IFSM
    芯片尺寸
    Chip Size
    引线数量
    Lead Number
    恢复时间
    (Trr)
    包装方式
    Package
    1.05V 30A 50MIL 4 >2000ns 3K/盘,30K/箱

    采用玻封GPP工艺芯片,密封性可靠性好,防止电性出现衰降情况

    采用镭射激光打标,不易褪色防止翻新;环氧塑脂塑封稳定性好

    采用无氧铜框架引脚,镀亮锡防止氧化不上锡、内阻小导电性好

    采用5层大瓦楞牛皮纸箱,4道禁锢带保护,耐压耐磨可重复利用

    内盒采用防潮塑膜保护,方便仓库长期存贮,上机易上锡易焊接

    采购热线:

    400-9929-667

    视频解说/ VIDEO

    产品参数详解/ PRODUCT PARAMETERS

    视频内容详解:

    ASEMI品牌MB6S,系列产品MB10S、MB8S、MB4S。本产品采用波峰GPP芯片,参数离散性一致,质量高稳定性和可靠性。 原装正品,欢迎咨询 取样测试。采购MB10S,全国服务热线:400-9929-667。

    视频内容详解:

    ASEMI品牌MB10S,系列产品MB10S、MB8S、MB6S。本产品采用波峰GPP芯片,参数离散性一致,质量高稳定性和可靠性。 原装正品,欢迎咨询 取样测试。采购MB10S,全国服务热线:400-9929-667。

    MB10S

    产品细节/ DETAIL

    2、6小图-355-240

    采用玻封GPP工艺芯片,密封性可靠性好,防电性衰降

    2、6小图-355-240

    镭射激光打标,不易褪色;环氧树脂塑封,绝缘稳定性好

    2、6小图-355-240

    框架引脚采用无氧铜材料,内阻小导电性好,镀锡防氧化

    6-4

    独立小包装,防止物料积压碰撞刮花,产品信息标注明确

    贴片插件桥堆

    5层大瓦楞牛皮纸箱,4道紧固带保护,耐压耐磨可重复利用

    6-6

    3层小瓦楞内盒+防潮塑膜保护,方便存贮,上机易上锡焊接

    产品详解/ DESCRIPTION

    详解模板
    详解模板
    激光印字 / GREEN LASER PRINTER

    ●镭射激光打标,不易退色,解决易掉色困扰,防止翻新与冒牌问题

    ●生产效率高,订单交期快,解决货期长,生产低效率问题

    外壳封装 / ADVANCED PLASTIC PACKAGING

    ●采用环氧树脂材料一次性注塑成型,边角无毛刺

    ●环氧树脂阻燃性能好,强度高,耐高温,外力冲击不易裂

    引脚 /  OXYGEN-FREE COPPER PINS

    ●采用无氧铜材料,镀亮锡,防止氧化,易上锡易焊接

    ●内阻小导电性好,承受大电流冲击发热小

    “ASEMI”品牌的LOGO

    A = advanced(先进)

    SEMI = semiconductor (半导体)

    “+”号代表正极

    “-”号代表负极

    “~”号代表交流极

    型号解析 / Model analysis

    【MB10S】代表本产品的完整型号

    【MBS】代表产品封装方式

    【   】本品默认其正向电流为1A

    【10】代表其反向耐压为600V

    【S】代表其为贴片封装

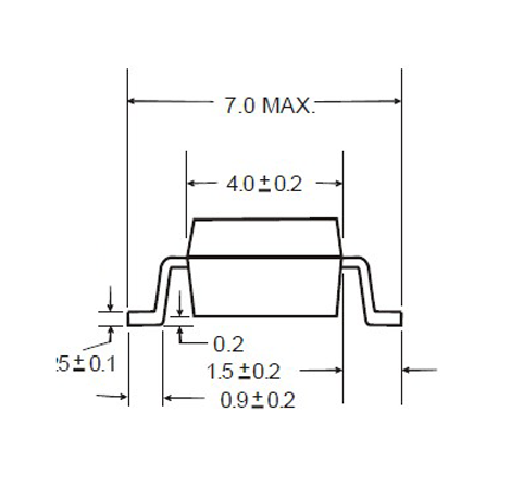
    产品尺寸/ SIZE

    MB6S 产品尺寸图1
  • 脚间距

    2.5mm
  • 本体长度

    4.7mm
  • 本体高度

    2.5mm
  • 本体宽度

    4.0mm
  • MB6S 产品尺寸图2
  • 脚厚度

    0.25mm
  • 本体宽度

    4.0mm
  • 本体长度

    4.7mm
  • 台湾工艺/ PROCESS

    产品

    持续稳定

    产品持续稳定

    采用GPP玻封芯片,产品持续稳定

    产品

    数量准确

    产品数量准确

    严格的外检包装程序,产品数量准确,包装无破损

    注塑

    一步成型

    注塑一步成型

    自动化设备支持注塑一步成型

    经过

    6道质检

    经过6道质检

    检测Vb、Io、If、Vf、Ir等12个参数经过6道检测,△V控制在80V以内,提高4颗芯片的一致性和可靠性

    完善

    人际交互

    完善人际交互

    分筋,切割,分离,完善的人际交互流程

    产品PK/ PRODUCT PK

    MB6S PK 芯1 MB6S PK 芯2

    ASEMI采用50MIL; 玻封GPP芯片,参数一致性好,输出稳定

    某些采用38MIL; 长时间工作发热严重,容易炸机等品质不良

    5、PK-570-287 MB6S 打2

    ASEMI采用镭射激光打标方式,耐洗板水的腐蚀,丝印不易掉色

    普通油墨丝印容易掉字,污染电路板,存在恶意翻新,贴牌等不良隐患

    5、PK-570-287 MB6S 脚2

    ASEMI采用无氧铜材料,导电性好,镀锡层,保存简单,防氧化易焊接

    用普通铜框架材料或铁质引脚,易造成引脚氧化,不上机虚焊脱焊,阻抗大

    设备PK 1 测试设备 右

    ASEMI工厂采用健鼎与冠魁专用设备,同时检测18项关键电性数据

    普通生产设备精度低,电性参数检测不严格,质量参差不齐一致性差

    应用领域/ APPLICATION

    6、应用领域-1200-612
  • 正向电流

    1A
  • 反向耐压

    50V-1000V
  • 浪涌电流

    30A
  • 漏电流

    >10ua
  • 操作温度

    -50℃~150℃
  • 合作伙伴/ PARTNER

    联系我们/ CONTACT US

    台湾ASEMI品牌MB10S,MB8S,MB6S,ASEMI贴片整流桥,高档品质LED驱动器电源适配整流桥,50MIL芯片MB10S

    MB10S的电性参数:最大正向平均电流1A;最大反向峰值电压1000V

    MB8S的包装方式:3K/盘,6K/盒,30K/箱

    整流桥被广泛适用于:电源、充电器、适配器、LED灯饰、大小家电、民用及工业设备等产品中使用

    欢迎咨询 取样测试

    销售一部:0755-83235680

    销售二部:0755-83239557

    销售三部:0755-83239588

    海外销售部:(+86)0755-83231856

    24小时值班电话:15112282007

    400电话:400-9929-667

    邮箱:sales@asemi88.com

    传真:0755-83979773