型 号GBU410
品 牌ASEMI
封 装GBU
特 性薄体扁桥
| 正向电流 (lo) |
反向耐压 VRRM |
芯片材质 Chip Material |
芯片个数 Chip Number |
漏电流 (lr) |
操作温度 Temperature |
|---|---|---|---|---|---|
| 4A | 50V-1000V | GPP 硅芯片 | 4 | ≤5ua | -50℃~150℃ |
| 正向电压 (VF) |
浪涌电流 IFSM |
芯片尺寸 Chip Size |
引线数量 Lead Number |
恢复时间 (Trr) |
包装方式 Package |
| 1.05V | 175A | 84MIL | 4 | >500ns | 500/盒;5000/箱 |
●整流桥GBU410 电性参数:4A , 50V~1000V
●镭射激光打标,不褪色,黑胶材质:环氧塑脂材料 包封稳定性好
●引脚为无氧铜、抗弯曲、抗氧化、导电性好
●GBU410:5.0K/箱 箱体材质:牛皮纸 耐压耐磨抗冲击
●500/盒,10盒/箱,环保防静电PE料管 牛皮环保纸盒 防静电、易保存,可回收利用


ASEMI品牌MB6S,系列产品MDB06S、B6S,环保进口芯片,出口品质,供应MB6F,全国服务热线:400-9929-667,波峰GPP芯片,环保,可靠稳定性高,产品离散性高度一致。 本产品原装正品,质量保证高稳定性和可靠性,欢迎咨询 取样测试。
ASEMI品牌MB6S,系列产品MDB06S、B6S,环保进口芯片,出口品质,供应MB6F,全国服务热线:400-9929-667,波峰GPP芯片,环保,可靠稳定性高,产品离散性高度一致。 本产品原装正品,质量保证高稳定性和可靠性,欢迎咨询 取样测试。
整流桥堆:GBU410
电性参数:4A 1000V
镭射激光打标,不褪色,黑胶材质:
环氧塑脂材料
引脚为无氧铜、抗弯曲、抗氧化、
导电性好
1K/盒,50PCS/管,环保防静电PE料管牛皮
环保纸盒 防静电、易保存,可回收利用
MBR1040FCT:5.0K/箱
箱体材质:牛皮纸 耐压耐磨抗冲击
包装方式:1K/盒 外盒:环保、密封纸盒
尺寸:56.4*15.0*4.1CM
●激光激光打标,不退色,解决油墨丝印易掉色问题
●激光打标生产效率高,订货货期短,解决油墨印字货期长、低效率问题
●采用环氧树脂材料一次性烧注成型
●阻燃性能好,强度高,耐高温
●采用无氧铜材料,导电性能佳
●引脚加厚设计,厚度达1.31mm,可持续长时间工作不发热
●台湾原装”ASEMI“品牌LOGO
●A = advanced(先进的)
●SEMI = semiconductor (半导体)
●【UL】为美国安规认证LOGO
●【安全试验和鉴定权威机构】
●【安全检验产品良率标示 】
●【GBU410】代表本产品的完整型号
●【GBU】代表肖特基二极管
●【4】代表其正向电流为4.0A
●【10】代表其反向耐压为1000V
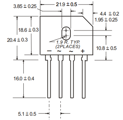
本体宽度 /body width
21.9mm本体宽度 /body width
18.6mm本体宽度 /body width
16mm本体宽度 /body width
10.16mm
本体宽度 /body width
4.83mm引线与地面距离
5.1mm本体宽度 /body width
3.85mm
产品
持续稳定
采用台湾GPP波峰芯片,产品持续稳定
产品
数量准确
严格的外检包装程序,保证产品数量准确,包装物破损
注塑
一步成型
自动化设备支持注塑一步成型
经过
6道质检
检测Vb、Io、If、Vf、Ir等12个参数经过6道检测,△V控制在80V以内,提高4颗芯片的一致性和可靠性
完善
人际交互
分筋,切割,分离,完善的人际交互流程
正向电流
4A反向耐压
50V-1000V浪涌电流
175A漏电流
≤5ua操作温度
-50℃~150℃
参数规格为: 电流:4A 电压:50V~1000V;盒装:500Pcs/盒
应用于小电流领域产品:小功率开关电源,电源适配器,LED灯整流器,电风扇,电视机,室内
空调机,家用小电器等相关电器产品。本品原装台系质量,定性和可靠性好
欢迎咨询 取样测试销售一部:0755-83235680
销售二部:0755-83239557
销售三部:0755-83239588
海外销售部:(+86)0755-83231856
24小时值班电话:15112282007
400电话:400-9929-667
邮箱:sales@asemi88.com
传真:0755-83979773